-
スティーブンQiuPuは大きい電力の工場です。私達は非常に満足させます。あなたに再度協力します!
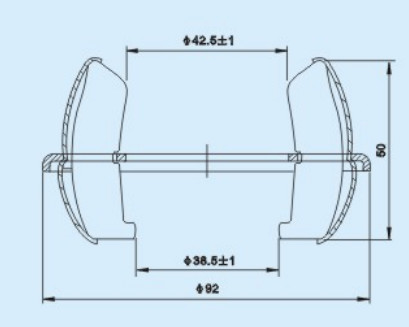
GC4-1250A 銅 電動 チューリップ マウス コンタクト 15 ピンの真空回路断片
試供品およびクーポンのための私に連絡しなさい。
whatsapp:0086 18588475571
WeChat: 0086 18588475571
Skype: sales10@aixton.com
心配があれば、私達は24時間のオンライン・ヘルプを提供する。
x| 素材 | 赤い銅 | 現在の | 1250A |
|---|---|---|---|
| 工場 | 銀 | ID | 38.5mm |
| ハイライト | 銅 電気 チューリップ 歯の接触,1250A 銅製の電気接触器,15 ピン 銅 電気 連絡 器 |
||
GC4-1250A 銅 電動チューリップの口腔コンタクト 15ピン 真空回路断片
設置要件
(1) すべての部品は,設置前に検査に合格しなければならない.
(2) 設置用道具と道具は清潔で,組み立て要件を満たす必要があります. 固定装置を固定する際には,アーチ消火器室の近くでレンチキーまたはクラブ,ソケットキー,スクリューを使用してください.,切断鍵も使わないでください
(3) 設置命令は設置手順に準拠し,各部品に設置された固定装置の仕様は設計要件に従って決定しなければならない.特に静的接触の端に固定されたボルトは,その長さの仕様で間違ってはならない.
(4) 組み立て後の柱間の距離と上部と下部の予選線間の距離は,模様のサイズ要件を満たす.(5) 各回転部と滑り部を組み立てた後移動する摩擦位置を滑らかにします.
(6) 調節試験に合格した後は,それを清掃し,清掃する必要があります.各部品の調節可能な接続部位は,赤色塗料でマークする必要があります.そして出口端は,森に塗り,きれいな紙で封印する必要があります.
真空断路器は,例としてZN39 (図IIIを参照) を組み立てており,一般的に前部,上部,後部という3つの部分に設置することができます.前部装置の順序は: skeleton positioning → pillar insulator → horizontal insulator → bracket → lower parent row → arc extinguishing room and side-by-side off-line rod → upper parent row → conductive CLIP soft connection → contact spring seat slide sleeve → triangular turning arm上部設置順序は: スフィンダルとベアリングシート → オイルバッファー → 隔熱プッター
後部装置の順序は:操作メカニズム →分離スプリング →カウンター,閉じる,分離指示,地面マーク.
装置の上記の3つの部分 (前部と上部) を接続し,ピンと三角腕を隔離されたパッター調節式接頭で接続します.後部と上部は,操作メカニズムの調整可能な駆動リンクによってピンとスピンドルアームと接続されています3. 機械特性調整 3.1 初期調整
初期調整は主に組み立てられた真空断路器の接触距離と接触ストロックの調整のために行う.
初期調整は,装置接続の部品が正しさを確認するために手動のゆっくり閉じる操作でなければならない.調整する際の接触筋は大きすぎないべきである.接触スプリングを閉ざさないように,そして死ぬ設置時,断熱パッターの調節可能なアクティブヘッドが短くなければならない.通常の手力操作の後,距離と接触ストロックは測定および調整できます.

