-
スティーブンQiuPuは大きい電力の工場です。私達は非常に満足させます。あなたに再度協力します!
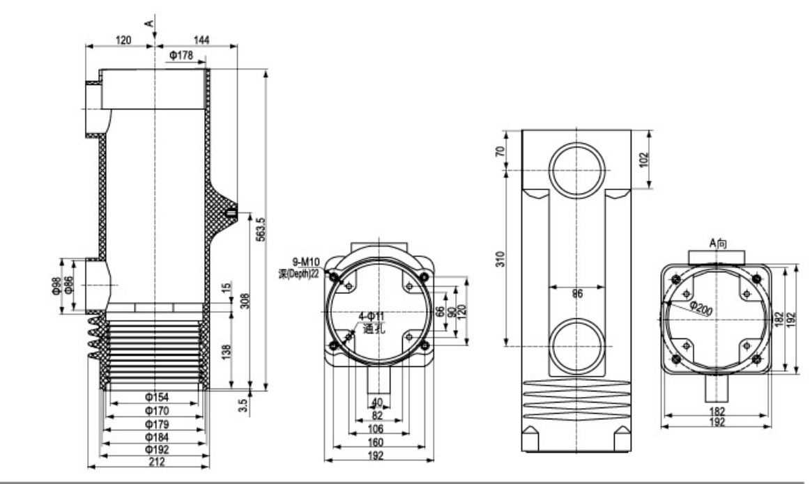
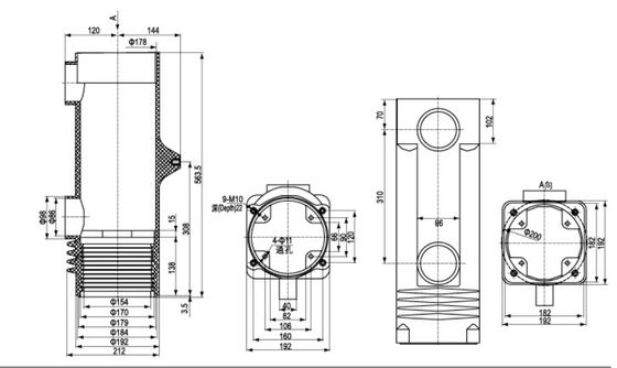
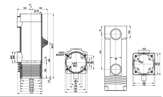
11kV エポキシ樹脂碍子、3150A 真空遮断器付き
試供品およびクーポンのための私に連絡しなさい。
whatsapp:0086 18588475571
WeChat: 0086 18588475571
Skype: sales10@aixton.com
心配があれば、私達は24時間のオンライン・ヘルプを提供する。
x| 材料 | エポキシ樹脂 | 定格電流 | 3150A |
|---|---|---|---|
| 定格電圧 | 11kv | 長さ | 500mm |
| ハイライト | 11kV epoxy resin insulator,3150A vacuum circuit breaker,high voltage epoxy insulator |
||
機械的なロックなしで、コアを上限と下限に保ちます。動作信号があると、閉鎖または開放コイル内の電流が磁位を生成します。
コイルによって生成された磁場と永久磁石によって生成された磁場は重ね合わされ、合成磁場によって合成されます。磁気コアは、それに固定された駆動ロッドとともに、合成磁力によって操作され、スイッチ本体は指定された速度でオンとオフが切り替わります。このメカニズムは、移動鉄心がいかなるエネルギー消費もなしに、旅の2つの端で維持できるため、2ビット双安定構造と呼ばれます。従来の電磁メカニズムでは、移動鉄心はスプリングの作用によって旅の片方の端に保持され、もう一方の端では機械的なラッチまたは電磁エネルギーによって保護されます。上記から、永久磁石アクチュエータは、従来の遮断器の動作メカニズムのすべての機能を達成するために、電磁石と永久磁石を特別に組み合わせたものです。永久磁石は、従来のものを置き換えます。
真空アーク消滅室を使用するVS1-12 / M遮断器(永久磁石アクチュエータ付き)、アーク消滅および絶縁媒体としての真空、アーク消滅室は非常に高い真実性を持っています
VS1-12 VS1-12 真空遮断器、空隙、可動接点と固定接点が作動機構の作用で電気的に分離されると、接点間に真空アークが発生し、接点の特殊な構造により、適切な縦磁場が接点ギャップに生成され、真空アークが拡散性を維持し、接点表面全体に均等に広がり、電流が自然な場合でも低いアーク電圧を維持します。残留イオン、電子、金属蒸気は接点表面で結合または組み立てられ、マイクロ秒のオーダーでシールドされ、遮断器の絶縁破壊の誘電体が迅速に回復し、アークが消滅して破壊されます。真空遮断器は磁場を使用して真空アークを制御するため、電流を遮断する強力で安定した能力を持っています。
| 材料 | 工芸 | |
| 鋳造樹脂 | APG | |
![]()
![]()
![]()

