-
スティーブンQiuPuは大きい電力の工場です。私達は非常に満足させます。あなたに再度協力します!
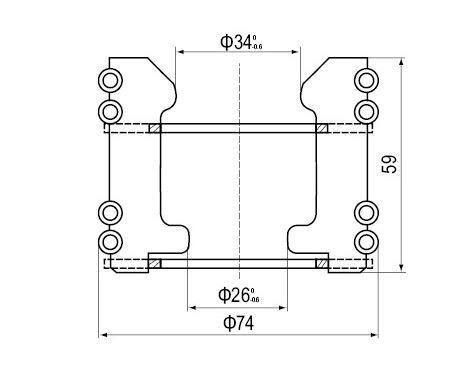
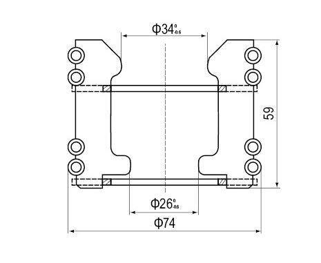
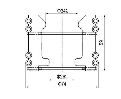
12 Pins Copper Electrical Contacts , 630A Silver Moving Tulip Contacts For VCB
| 材料 | 赤銅 | ハイ | 59mm |
|---|---|---|---|
| 植物 | 銀 | ID | 35mm |
| 状態 | 1um |
630A Red Copper Clubs Contact 12 Pins with VCB Indoor Vacuum Circuit Breaker
(Compared with the permanent magnetic type, which is mainly the control and operation mechanism, the fixed seal type is the projectile type, and the permanent magnetic type is the controller) The whole cabinet is called the armor type moving medium metal closure switch equipment, which is divided into three layers, the upper layer is the bus and the instrument panel(separate), the middle layer is the circuit breaker room and the lower layer is the cable room. Because the circuit breaker has been in the middle, so called the armor type to move the type of metal closure switch equipment, short for the cabinet. (2) The central cabinet is a type of switchgear used by end users. It is fully functional and large in size, while the ring cabinet is a type of switchgear used to connect two power sources or parts of a ring network. The main function is to divide the two sections into two parts. There are many kinds of lockers, which can be divided into the switchboard, the measuring cabinet, the transformer cabinet, the change cabinet used, and so on. The switch in the cabinet may be equipped with an automatic protection device.The maximum rated current is only 630A, and the circuit breaker can reach 3000A above(there are more than 4000A in foreign countries). The maximum rated current is only 630A, and the circuit breaker can reach 3000A or above(there are currently more than 4000A in foreign countries). The circuit breaker is usually short-circuit-protected. In case of overload, it takes a certain time(and can not be adjusted unless the internal fuse is replaced) to cut off the hot fuse of the internal fuse of the circuit, and the inner voltage switch is used to protect the overload of the device Or sulphur hexafluoride load switch.![]()
![]()
![]()
![]()

